Inseriamo nomi componenti
Posizioniamo il puntatore del mouse su un componente e fate click con il tasto destro del mouse, selezionate la voce Name:

Cambiate nome ai singoli componenti:
Ripetete questa operazione per ogni componente.
Inserimento valori dei componenti
Per cambiare il valore del componente, tasto destro sul componente ed inserire il valore:

Ed inseriamo i valori come da lista componenti:

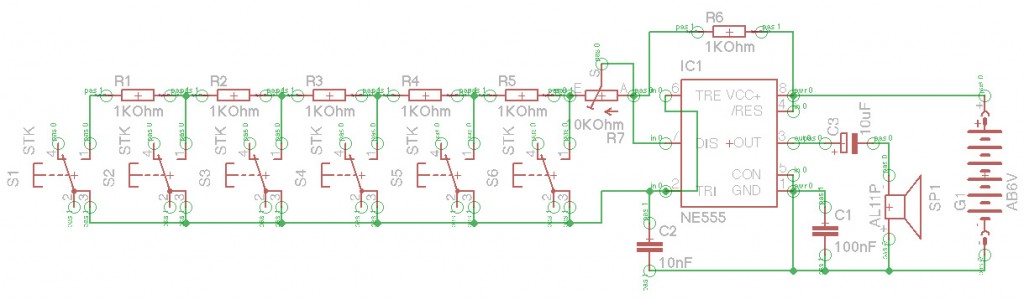
Si proceda allo stesso modo per i restanti componenti, questa la situazione finale:

Precisazione in merito alla batteria
La batteria in realtà è un connettore molto simile a quello rappresentato nell’immagine sottostante, ad esso verranno serrati dei fili che portano ad una batteria da 6V

Bisognerà quindi variarne il valore da 9V a 6V.
Questa operazione viene eseguita con un click tasto destro sul componente, selezionate “Value”:

Comparirà una finestra in cui vi verrà detto che: “al componente l’utente non può definire un valore. Sieti sicuri di voler fare questa operazione?”

Rispondete ok, e sostituite il valore con AB6V.


Disporre in modo ordinato i componenti
Disponiamo ora i componenti in modo che ci sia il minor numero di nodi possibili, successivamente Eagle si occuperà di fare lo sbrogliato mediante la funzione di Autoroute.
Durante questa operazione sarà necessario eseguire le seguenti operazioni sui componenti:
- spostare
- ruotare
- effettuare il ribaltamento a specchio
queste ed altre operazioni potete effettuarle direttamente mediante il menù contestuale che appare facendo click con il tasto destro del mouse sul componente, oppure usando il menù a pulsanti disposto sul lato sinistro della finestra Schematic.
Questo il risultato:

Colleghiamo i componenti
Per fare questa operazione abbiamo necessità di evidenziare i reofori di ogni componente in modo da rendere più semplice l’operazione.
Utilizziamo lo strumento Display Layers:

comparirà la seguente finestra

il layer su cui dovremo operare è quello denominato Pins, facciamo un doppio click su di esso, comparirà la finestra “Change layer properties“:

da cui potremo modificare diversi parametri, ma ciò che a noi importa e effettuare un check sulla voce Display:

Confermate con OK, la finestra “Change layer properties” si chiuderà.
Confermate con OK anche “Display“, anche in questo caso la finestra si chiuderà.
Dovreste notare che ogni reoforo è circondato da un cerchio di colore verde e da un codice:

Creazione collegamenti
Per creare i collegamenti bisogna utilizzare la funzione “Net” che trovate nella toolbar di sinistra in basso:

oppure dal menù: Draw -> Net

Per creare il collegamento tra due punti è sufficiente fare click sul primo punto ed un successivo click sul secondo punto, nel caso vi necessitasse di effettuare delle spezzate è sufficiente effettuare durante lo spostamente tanti click quanti sono i cambi di direzione. Il risultate è il seguente:

