In questi giorni ho ricevuto un messaggio da un mio vecchio studente che mi ringraziava per avergli insegnato ad utilizzare un software di progettazione elettronica molto diffuso nelle aziende: Eagle.
L’ex studente, pur avendo una qualifica da elettricista sta svolgendo attività di progettazione di circuiti elettronici per l’automazione industriale.
Tutto ciò mi ha fatto riflettere sulla possibilità di offrire questa competenze agli attuali studenti delle classi 3 dei manutentori elettrici/elettronici, ho quindi realizzato nel fine settimana quattro lezioni (pillole didattiche) di introduzione all’uso di Eagle, le lezioni saranno tutte pubblicate in questa settimana.
La realizzazione del circuito usato nelle 4 lezioni è puramente di esempio ed è volta all’utilizzo del programma. Il circuito necessita di ottimizzazione nei collegamenti, nella disposizione dei componenti e nella dimensione del PCB, tutto ciò sarà motivo di esercizio che sarà eseguito dagli studenti durante le esercitazioni di laboratorio.
In passato avevo segnalato su questo sito manuali gratuiti introduttivi di Eagle, ma desidero realizzarne uno che possa essere ben utilizzato all’interno di un laboratorio scolastico.
Eagle può essere prelevato direttamente dal sito http://www.cadsoft.de/

Dal menù in alto selezionate download

Il software è multipiattaforma, Windows, Linux, Mac OSX. In questo tutorial troverete immagini fatte da MacOS X, ma il funzionamento è identico per le altre piattaforme.

Scaricate ed installate.
L’installazione che ho effettuato è quella freeware:

che posside le seguenti limitazioni:
- dimensione massima del PCB: 100×80 mm
- due layer massimi per basetta
- unico foglio di lavoro per basetta
All’avvio del programma la schermata che visualizzerete sarà la seguente:

Come potete notare nella parte destra della finestra sopra riportata avete le indicazioni della versione installata: Light Edition e più in basso: FOR EDUCATIONAL USE ONLY!
Le informazioni sulla limitazione imposte le trovate dal menù Help -> General:


Selezionate la voce: License -> EAGLE Editions

La versione freeware corrisponde a quella indicata come Light.
Dal Control Panel potete accedere a tutte le funzionalità del programma:

All’avvio del programma il Control Panel viene sempre visualizzato, la chiusura di questa finestra provoca la chiusura del programma.
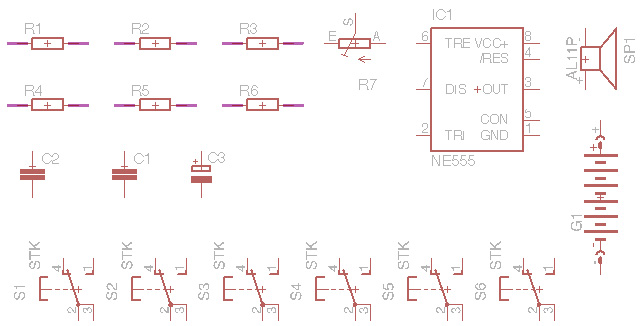
Per illustrare l’utilizzo del programma realizzeremo un piccolo organo (giocattolo) elettronico con un NE555, già implementato con i miei allievi come esercitazione su breadboard negli anni scorsi, trovate maggiori informazioni seguendo il link al post su questo sito che ne dettaglia il funzionamento.
Lo schema elettrico è il seguente:

E questo il filmato:
Lista componenti:
- R1 = R2 = R3 = R4 = R5 = R6 = 1KΩ
- R7 = 10 KΩ
- C1 = 100 nF
- C2 = 10 nF
- C3 = 10 μF
- Alt = Altoparlante da 8 Ω
- IC = 555
- da P1 a P6 pulsanti
Creaiamo un nuovo progetto dal menù principale in alto: File -> New -> Project

Nel Control Panel, nella sezione Project -> Eagle verrà creata una nuova cartella: New_Project, rinominatela con il nome del vostro progetto, nel mio caso organo.


Bisogna ora realizzare lo schema elettrico del circuito, per far questo possiamo agire in due modi:
MODO 1
Tasto destro del mouse selezionare: New -> Schematic

MODO 2
Dal menù principale: File -> New -> Schematic

Procedendo con uno dei due modi si aprirà la finestra schema a cui viene assegnato un nome di default, che poi modificheremo: untitled.sch

Bisognerà ora aggiungere i componenti, per far ciò utilizzeremo il comando “Add”:

che trovate nel menù ad icone disposto nella parte sinistra della finestra Schematic.
Ricordo che tutte le funzionalità dei pulsanti sulla finestra Schematic, possono essere trovate anche attraverso il menù principale in altro:

Si aprirà la finestra ADD, da cui potremo selezionare il componente che desideriamo impiegare nel circuito. Per facilitare la ricerca del componente potete utilizzare il campo Search al fondo della finestra ADD.

Incomincio con l’inserire NE555 per far ciò lo ricerco inserendo nel campo Search: NE555
si otterrà il seguente risultato:

Facendo click su OK, il cursore nella finestra Schematic, verrà sostituito dal simbolo del componente, spostatevi all’interno del foglio di lavoro e posizionate il componente dove desiderate:


premendo ESC potrete ritornare alla finestra ADD pronti per inserire altri componenti, effettuate una nuova ricerca inserendo gli altri componenti dettagliati nella lista componenti indicata ad inizio tutorial.
Disponiamo ora i sei resistori, per far ciò agiamo come fatto in precedenza con l’NE555 ed inseriamo nel campo Search la voce: resistor. Nei risultati ottenuti selezioniamo il menù resistor e poi il simbolo R-EU_0207/10 come riportato nell’immagine che segue:

Come nel caso precedente, il cursore si trasformerà nel simbolo del resistore, un click sul foglio di lavoro e posizionerete un resitore, inserite in totale 6 reistori:

Procediamo allo stesso modo per i restanti componenti, rispettivamente nel campo di ricerca inserite:
- trimmer
selezionate: TRIM_EU-B25P e disponetene 1; - capacitor
selezionate CPOL-EU e selezionate la seconda riga: CPOL-EUB45181B e disponetene 1; - capacitor
dal menù C-EU selezionate la prima riga: CEU025-024X044, disponetene due condensatori su foglio di lavoro; - switch
selezionate l’ultima voce nel menù switch-omron: STK (utilizzo questo simbolo perché non presente quello da me adottato in laboratorio). Disponetene sei. - speaker
comparirà il menù buzzer. Non è ciò che ho utilizzato in laboratorio ma va bene a titolo di esempio. Disponetene uno. - battery
ultimo menù battery e selezionate BATTERY AB9V. Disponetene 1.
Per uscire dalla finestra ADD è sufficiente fare click sul pulsante Cancel.
Dovreste in una situazione simile a quella rappresentata nell’immagine che segue:


Eagle lo uso quasi giornalmente (più per hobby che per lavoro).
Solitamente mi creo una libreria personalizzata dove inserisco tutti i componenti che uso (per i pcb utilizzo carta patinata e ferro da stiro, quindi devo avere le piazzole dei componenti un po’ più cicciotte 😛 ).
Quello che ho trovato poco intuitivo è la gestione delle librerie, soprattutto la creazione di nuovi componenti e la copia di componenti esistenti da una libreria ad un’altra.
Ciao.
Si hai ragione non è intuitiva la gestione della libreria, per alcuni versi è un po’ laboriosa ne sto creando una in queste serate per tutt’altro scopo, voglio far utilizzare Eagle per il solo disegno di impianti elettrici. Non mi resta che promettere una quinta lezione 🙂
Farò il possibile.
Saluti.