Utilizzo dell’autorouter
Trovate la funzione autorouter nella pulsantiera di sinistra:

Oppure dal menù: Tools -> Autorouter…

Apparirà la finestra seguente:

E’ necessario specificare quante facce ha la basetta, se a singola faccia, come nel nostro caso in Preferred Directions nell’opzione Top, selezionare N/A:

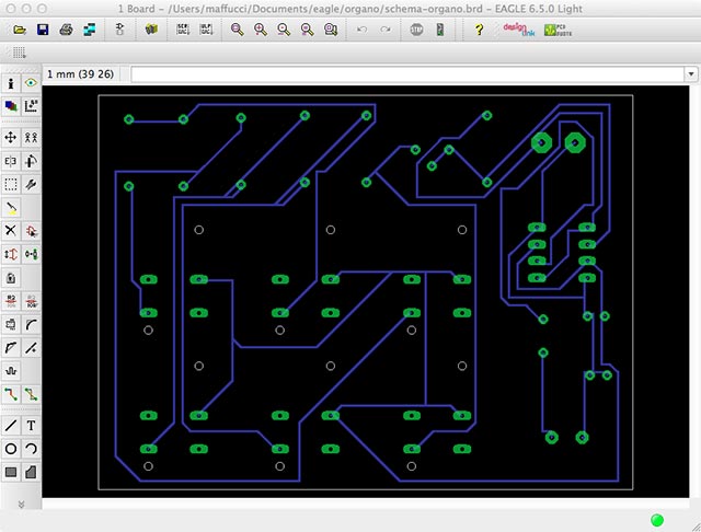
Click su OK e verrà eseguito il processo di creazione delle piste:


Come ben evidente dal risultato ottenuto è possibile effettuare ulteriori ottimizzazioni sulla lunghezza dei collegamenti, sull’eliminazioni di angoli a 90° e molto altro.
Per poter effettuare le modifiche agevolmente ed individuare immediatamente le parti da modificare un utile procedimento potrebbe quello di rendere temporaneamente visibile solamente le piste di collegamento e le piazzole nascondendo ogni altro elemento. Dal menù View -> Layer settings… utilizzeremo la finestra dei Display per nascondere tutto ciò che non serve per l’ottimizzazione della disposizione delle piste di collegamento:


Un click su None per deselezionare tutti i layer:

Ora selezioniamo solamente Bottoms, Pads, Dimension, cioè piste, piazzole e bordo circuito:

La selezione o la deselezione dei singoli layer avviene facendo click sul numero a fianco del layer. Click su Apply per rendere attive le modifiche ed click su OK per chiudere la finestra Display, il risultato sarà:

Per ridisegnare porzioni di circuito dovrete operare con le funzioni: Ripup, Route, Optimize, Split, Miter:



Per rifare una pista di collegamento utilizzate Ripup, selezionate ripetutamente tutti i collegamento da rifare:

E con Route, rifate il collegamento:

I collegamenti possono essere eseguiti usando diversi stili: collegamenti con angoli a 90°, 45°, curvi ecc…

Poiché lo scopo di queste brevi lezioni è quello di illustrare le funzionalità principali, si lascia al lettore l’ottimizzazione del circuito sperimentando le funzionalità di ottimizzazione manuale del circuito.
Se lo sbroglito non soddisfa le vostre esigenze, oppure qualche collegamento non è stato realizzato procedete nuovamente a mano a riposizionare i componente ed eseguire un autorouter.
Per cancellare le piste realizzate e procedere nuovamente ad un autorouter dovete:
raggruppare tutti i componenti con la funzione Group:

utilizzare la funzione Ripup:

procedere facendo click su Go:

Apparirà una finestra in cui viene richiesto di confermare o interrompere l’azione, fate click su Yes, le piste verranno cancellate e appariranno solamente i collegamenti.
Impostazioni dell’autorouter
E’ possibile configurare molte azioni eseguite dall’autorouter, tra cui la dimensione e la distanza tra le piste, tra i componenti e molto altro.
Per configurare l’autorouter aprire la finestra DRC (Default Design Rules) che trovate tra le funzionalità del menù a sinistra in basso:

Al click aprirà la seguente finestra:

Posizionatevi su Clearance in essa potremo variare la distanza tra le piste, distanza tra piste e piazzole e distanza tra piazzole:

L’unità di misura che vedete indicata è il pollice e mil indica il millesimo di pollice, quindi sapendo che 1 pollice equivale a 2,54 cm:
1 in = 25,4 mm
1mil = 0,001 in
allora 0,001 = 25,4 mm / 1000 = 0,0254 mm
quindi:
0,001 in = 0,0254 mm
da cui:
8 mil = 0,008 in = 0,008 x 0,0254 = 0,2032 mm
Stampa del PCB
Prima di procedere con la stampa del circuito (il master) per la realizzazione del PCB, è indispensabile nascondere i layer presenti nel disegno così come abbiamo fatto in precedenza per l’ottimizzazione manuale del PCB:

Deselezionare tutti i layer facendo click su None e successivamente selezionare i layer 16, 17, 18, 19, 20:

Procediamo con la stampa dal menù File -> Print:

Nel finestra Print disponete di diverse impostazione, tra cui quelle più importanti quelle allocate nella sezione Options, dove potete forzare la stampa in nero (Black), effettuare il Mirror, operazione indispensabile se bisogna procedere con la fotoincisione.


per la mia categoria troovo interessante le varie lezioni di elettronica