
Il mio contributo al carnevale della Fisica (settembre 2012)
L’astronomia è affascinante e nei bambini suscita un’interesse incredibile, ne ho avuto la riprova durante le osservazioni della volta celeste nelle notti di questa estate nel mese di agosto, in un piccolo paese dell’Irpinia. Armato del mio iPad su cui avevo installato Starmap HD (programma con mappe stellari) e di un binocolo io e i miei figli abbiamo trascorso serate da esploratori stellari, immaginavano di essere su un’astronave alla ricerca di stelle e galassie ed i loro occhi si sono illuminati quando hanno potuto percepire con un evidenza estrema la via lattea, il bordo della nostra galassia.
Durante queste osservazioni i bambini ti “inondano” di domande a cui dare risposta non è semplice perché si è tentati di utilizzare concetti di fisica che non sono assolutamente conosciuti da bambini di scuola elementare e media.
La domanda più difficile fu quando mi chiesero se potevamo avere una prova fisica del Big Bang e a questo punto cercai di parlargli di radiazione cosmica di fondo… incominciavo a sudare freddo… vedevo nei loro occhi il dubbio, ma assimilando il Big Bang ad una esplosione e alla propagazione del suono (non me ne vogliano i fisici) incominciarono a comprendere. Però la più piccola, che è in grado di ripetere la parola “perché” ad una frequenza incredibile mi disse:
“Uffa papà però! Io ho capito che dal botto è nato tutto ma ora lo voglio sentire questo scoppio, tu mi hai detto che gli scienziati lo possono fare!”
Io: “Aiutoooo!!!!”
Io: “bella di papà: non proprio sentire con le orecchie… allora Sara ascoltare la nascita dell’universo lo si fa con strumenti che hanno dei signori che si chiamano astronomi! Però se hai pazienza papà ti fa “vedere” il rumore causato dallo scoppio iniziale”
…angoscia del papà…
Sara: “vedere! Sentire! Finalmente papà!”
Ci rechiamo in casa dalla nonna accendo il televisore e sintonizzo la tv su un canale che non si riceve bene, la classica schermata con puntini bianco e nero.
Io: “allora Saretta, una piccola parte di questi puntini (indicai una striscia del monitor) è dovuta alla radiazione cosmica di fondo, quindi immagina di prendere questa strisciolina, guardala! Quel disturbo è ciò che resta del Big Bang“.
Per esattezza 1% dei disturbi elettromagnetici è dovuta all’antico residuo del Big Bang.
Sara: “uaooo Papà! E’ un pasticcio!”
Non so se abbia in realtà capito, ma per ora mi basta che un piccolo esempio abbia saldato nella sua mente alcuni fenomeni fisici.
Sentire e vedere è essenziale per i bambini e parlare di astronomia, radioastronomia, ma comunque di osservazione dell’universo necessita naturalmente di avere ben chiaro cosa sono le onde elettromagnetiche, infatti l’osservazione delle stelle in estate ha fatto nascere la curiosità e durante la visione di un documentario, il figlio Mattia mi chiese: “ma papà come si fa a vedere l’universo con delle parabole, mica sono occhi!”
Io: “le stelle non si vedono solamente perché emettono luce, ma anche perché emettono “della luce” che i tuoi occhi non possono vedere”
Mattia: “luce che non si può vedere?”
Io: “prendi il telecomando, cambia canale”
Mattia: “fatto! E allora?”
Io: “cosa ha permesso di cambiare canale?”
Mattia: “il fatto che ho schiacciato il pulsante”
Io: ” 🙂 andiamo nel dettaglio, ma tra il telecomando e la tv non vi è nulla. In realtà il telecomando ha emesso un’onda elettromagnetica per l’esattezza raggi infrarossi, che i tuoi occhi non possono vedere, bene le stelle emettono delle onde che non possono essere viste dai nostri occhi, ma usando delle antenne possono essere rilevate e da queste possiamo capire molte cose su come e fatto l’universo“.
Questa mia breve esperienza estiva mi ha fatto capire che concetti come frequenza, periodo, lunghezza d’onda, onde elettromagnetiche sono argomenti che, per i giovanissimi studenti di scuola elementare e medie possono risultare poco tangibili, ahimè alcune volte lo sono anche per i miei studenti di scuola superiore.
Ma come rendere tangibile le onde elettromagnetiche che non possono essere percepite dai nostri occhi?
Come far percepire ai più piccoli che ogni giorno “nuotiamo” all’interno di onde invisibili?
Usando il nostro orecchio naturalmente!
Costruiamo un orecchio che “vede” ciò che non vedono i nostri occhi 🙂
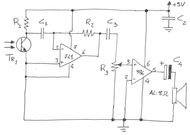
Voglio proporvi un circuito che feci realizzare tempo fa ad alcuni miei studenti. Si tratta di uno strumento in grado di far percepire la differenza tra onde elettromagnetiche a frequenza diverse, anche quelle che non possono essere percepite dall’occhio umano.
Con questo esperienza mi rivolgo principalmente a studenti e a colleghi di discipline scientifiche di scuole medie, ma anche ai colleghi di scuola elementare che sono in grado di fare un po’ di bricolage elettronico e che vogliono fare esperienze all’insegna della scoperta e del fare per insegnare come si osserva un fenomeno fisico (se volete sperimentare con i vostri piccoli studenti e vi trovate a Torino, scrivetemi che farò realizzare per voi dai miei studenti il piccolo strumento scientifico).
Non mi dilungherò in spiegazioni elettroniche, tralascio questa parte ad una lezione di approfondimento successiva, il mio scopo è realizzare qualcosa che possa essere di aiuto ed appassionare alla ricerca scientifica.
Il dispositivo elettronico vi consentirà di emettere un suono che sarà diverso in funzione della frequenza emessa da una fonte elettromagnetica, quindi vi sarà un tono diverso se avvicinate il vostro dispositivo in prossimità di una lampada ad incandescenza, fluorescente, flash o altro.
L’occhio umano ha una persistenza della visione di circa 0,02 secondi, inoltre una luce che lampeggia (on e off) a più di 50 Hz appare ai nostri occhi sempre accesa (on).
L’orecchio umano invece è molto più veloce ed ha una risposta in frequenza tale da poter percepire frequenze che arrivano fino ai 20.000 Hz.
L’ascoltatore di luce, trasforma la luce pulsante o tremolante, che l’occhio non sa discriminare, in un suono che può essere facilmente ascoltato dall’orecchio umano.
Questo il circuito:

Lista componenti:
- R1 = R2 = 100 KOhm
- R3 = 10 KOhm (trimmer)
- C1 = C2 = C3 = 0,1 microFarad
- C4 = 100 microFarad – 25V (elettrolitico)
- AO1 = 741
- AO2 = 386
- AL = altoparlante da 8 Ohm
- Tr1 = fototransitor BPW77 (NPN) o similari
Note costruttive:
- Il condensatore C2 previene le oscillazioni.
- Fate in modo tale che i fili di collegamento della batteria non siano troppo lunghi.
- Inserite il circuito in una scatoletta di plastica.
- R3 controlla il volume del segnale emesso.

Attenzione
questo circuito può produrre un suono molto alto, non avvicinate troppo l’altoparlante alle orecchie.
Effettuate i vostri i test “dell’ascoltatore di onde elettromagnetiche” puntando il fototransistor verso una fonte artificiale di luce. Una lampada ad incandescenza (se ne avete ancora una 🙂 ) produrrà un ronzio. Una lampada fluorescente produrrà un forte ronzio, un telecomando ad infrarossi per TV produrrà un tono pulsante. Un flash di una macchina fotografica produrrà uno schiocco.
Se volete accrescere la capacità del vostro “ascoltatore di luce” potete porre davanti al fototransistor una lente di ingrandimento.
Bozza di esperienza pratica da condurre in classe
Immaginiamo di essere dotati di una piccola telecamera, è sufficiente utilizzare quella di un cellulare e chiediamo ai nostri piccoli studenti di filmare l’oggetto e far udire il suono percepito, in due momenti diversi da:
- Luce naturale
- Luce artificiale
Immaginiamo di voler realizzare una mappa mentale costituita dai filmati realizzati dai ragazzi dopo di che l’insegnante potrà far capire agli studenti che i suoni più acuti potrebbero essere collegati a frequenze più elevate, far capire cosa vuol dire frequenza pulsante, ecc…
Ascoltate i fulmini
I fulmini produrranno degli scatti acuti e degli schiocchi, funziona meglio se la rilevazione viene fatta di notte. Il dispositivo rileverà delle frequenze luminose che non vengono percepite dall’occhio.
Attenzione: effettuate questo tipo di rilevazione all’interno di una abitazione o di un auto.
Ascoltare una candela
Una candela produce diversi tipi di suoni, quando non si ha movimento di aria sentirete un suono molto morbido, quando la fiamma è disturbata da una corrente d’aria sentirete dei crepitii e degli schiocchi.
Ascoltare la luce riflessa dalle ali di un insetto
(in questo modo gli allievi osserveranno meglio un insetto 🙂 )
Puntate il vostro strumento nella direzione dell’insetto che sta volando, la luce riflessa dalle ali produrrà un ronzio. Molto bello sarà ascoltare le lucciole al crepuscolo, ad ogni flash emesso dalla lucciola sentirete un morbido click.
Ascoltare la luce attraverso uno steccato
Camminando in una giornata di sole, la luce filtrata attraverso le foglie produrrà diversi suoni. Ascoltate la luce che passa attraverso uno steccato, sentirete un fruscio che avrà un andamento pulsante.
Ascoltare la luce di una torcia elettrica
Puntate la torcia sul fototransistor e sentirete un fruscio, muovete velocemente la torcia sul fototransistor e sentirete degli schiocchi
Ed ora tocca a voi!
Provate ad ascoltare il rumore emesso dalle immagini del vostro televisore, del monitor del computer, avvicinate il cellulare al vostro strumento ed ascoltate…
Insomma ascoltate l’invisibile che è intorno a voi e scoprirete un universo immenso.
Nel filmato utilizzo un alimentatore esterno da laboratorio, ma per il vostro dispositivo portatile adotterete una batteria da 9V.

Ottima idea! Con oscilloscopio e un amplificatore microfonico ho affascinato mia figlia di 4 anni facendole vedere la sua voce (e i suoi versi 😉 ).
Segnalo, per chi volesse far vedere gli infrarossi, che essi vengono rilevati dalla maggior parte delle videocamere, quindi basta puntare il telecomando e premere un tasto.
Per quanto riguarda la rilevazione della radiofrequenza emessa dal cellulare al termine del video, sono dubbioso che ciò avvenga grazie al fototransistor. Propendo più per un raddrizzamento operato dal 741 sul segnale captato attraverso i fili (antenna), che sono quasi a contatto con il telefonino (tra l’altro suona più come un 3G che non un GSM a 900 MHz). O scollegando il Tr1 non si sente più? Ovviamente proverò con la mia riproduzione.
Ciao Paolo, grazie per aver letto il mio articolo.
Bella l’idea del far vedere la voce sull’oscilloscopio 🙂 , lo farò anche con mia figlia, grazie!
Per quanto riguarda il cellulare, no non dipende dal raddrizzamento dovuto al 741, inoltre scollegando il Tr1 e avvicinado il cellulare il suono scompare.
Se puoi fammi sapere dei tuoi esperimenti.
Grazie ancora.
Saluti.