Il mio secondo contributo al 45° Carnevale della matematica.
Cerco di continuo appigli nel vivere quotidiano dei miei allievi per amplificare il loro spirito critico e di osservazione al fine di condurli verso la nascita di una passione per un interesse che potrebbe trasformarsi in un lavoro futuro o in una competenza utile.
In questi anni, come più volte dichiarato su queste pagine, insegno anche l’utilizzo di Arduino, un dispositivo elettronico che mi consente di far interagire tre mondi: l’elettronica, l’informatica e il mondo fisico che ci circonda. La potenzialità di Arduino risiede nel fatto che, se opportunamente utilizzato con specifiche sperimentazioni, amplifica la curiosità e la voglia di sperimentare, creando un sistema “reazionato mentale” (nel senso elettronico del termine 🙂 ) che induce la voglia di risolvere sempre più problemi tecnici anche complessi riducendo la paura della matematica, della logica e quindi dell’informatica.
In una delle mie lezioni introduttive sull’uso di Arduino ho illustrato come possa essere possibile con un po’ di senso pratico, elettronica e informatica progettare dispositivi complessie e tra i vari esempi ho parlato di rilevatori di gas e…
…addirittura potreste misurare quanto siete brilli quando uscite dalla discoteca costruendo un etilometro
La cosa ha suscitato talmente tanto interesse che la lezione ha avuto risvolti positivi… sperimentazione e studio anche a casa!
Ma perché ho parlato di etilometro?
Tutto nacque tempo fa quando confidai ad alcuni miei studenti di 5′ la preoccupazione nell’aver visto studenti di non più di 17 anni, che usciti da scuola, alla fermata del pullman, tirarono fuori dallo zaino di scuola un softdink.
Questa la risposta lapidaria della maggioranza dei ragazzi:
STUDENTE: Prof. bere a più non posso e fare casino in discoteca, sballarsi di alcolici e dare di stomaco sono cose che accadono di continuo fuori e dentro alle discoteche che frequentiamo, gente che si ritrova in festini che nascono al puro scopo di sballarsi di superalcolici…
IO: e tu come ti comporti?
STUDENTE: io sto alla larga da tutto ciò, ho un amico che è finito sulla sedia a rotelle per un incidente era pieno di alcool ed era alla guida, fortunatamente non ha ucciso nessuno.
Queste dichiarazioni alcune volte mi fanno rabbrividire, ma purtroppo sono confermate anche dalle statistiche dell’ISTAT che nella ricerca: L’uso e l’abuso di alcol in Italia viene detto che:
Nel 2010 la quota di popolazione di 11 anni e più che ha consumato almeno una bevanda alcolica durante l’anno è pari al 65,7%, in diminuzione rispetto al 2009 (68,5%); il 26,3% della popolazione (14 milioni 126 mila persone) beve alcolici quotidianamente, mentre il 38,4% ha consumato alcol almeno una volta fuori dai pasti.
Beve vino il 53,3% delle persone di 11 anni e più, birra il 45,9% e aperitivi alcolici, amari, superalcolici o liquori il 39,9%; beve vino tutti i giorni il 24,1% e birra il 4,3% della popolazione di riferimento.
Negli ultimi 10 anni tra i giovani sono aumentati i consumatori occasionali, quelli che bevono fuori pasto e di chi consuma altri alcolici oltre a vino e birra, mentre si sono ridotti i consumatori giornalieri e quelli che bevono solo vino e birra.
Nel complesso i comportamenti a rischio nel consumo di alcol (consumo giornaliero non moderato), binge drinking (sei o più bicchieri di bevande alcoliche in un’unica occasione) e consumo di alcol da parte dei ragazzi di 11-15 anni) riguardano 8 milioni e 624 mila persone, il 16,1% della popolazione di 11 anni e più. Tale quota appare stabile nel tempo.
…
per i dati completi si legga il pdf dell’intera ricerca che trovate seguendo il link.
Tutto ciò è molto preoccupante ed io cosa posso fare?
Posso incominciare a rendere il “bit fisico” a misurare la quantità di alcol che uno studente ha nel sangue, con la speranza di metterlo in allerta, sperando che lo strumento da lui costruito (che serve a lui) lo sensibilizzi ancora di più rispetto al problema alcol.
Allora come sempre dico: fare e costruire per prevenire… anche con l’informatica.
Quello che segue e la prima parte di un circuito ed un software più complesso che svilupperemo con i miei allievi nei prossimi mesi, è l’inizio di una unità didattica che ho chiamato:
Ecco come ti misuro con Arduino lo sballo alcolico che ti può uccidere.
Costruiamo un etilometro indossabile
L’idea e di creare un dispositivo elettronico molto piccolo ed indossabile che può misurare in tempo reale la quantità di alcol nel sangue. Questa è la parte preliminare di costruzione del primo prototipo. Gli sviluppi successivi prevedono:
- una versione con una barra led che indica il livello di alcol
- una versione con un display che indica numericamente il livello di alcol
Per la costruzione del primo prototipo di cosa abbiamo bisogno?
- scheda Arduino UNO,
- un sensore di alcol MQ-3
- potenziometro da 100 KOhm
- un pizzico di informatica
La visualizzazione della quantità di alcol verrà visualizzata in tempo reale sul computer.



Non mi dilungherò molto sulle caratteristiche fisiche del sensore per approfondimenti seguite i link:
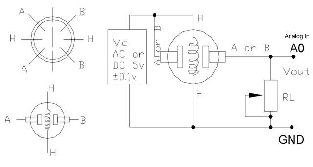
Il sensore è molto sensibile all’alcol, è costituito, come mostrato in figura, da 6 piedini di cui però ne utilizzeremo solo 4 in quanto due piedini sono duplicati. I piedini A sono tra loro collegati così come i piedini B.
Il sensore per funzionare deve essere riscaldato e ciò avviene collegandolo tramite i piedini H ad una tensione di alimentazione di 5V.
A questo punto scegliete quali piedini utilizzare (A o B è la stessa cosa) seguendo lo schema elettrico sopra indicato. La Vout dovrà essere inviata al pin analogico 0 di Arduino e l’altro capo della RL a GND.
L’utilizzo di un potenziometro ci consentirà di aumentare e diminuire la sensibilità dello struento.
Questo il codice:
/*
etilometro ver. 1.0
Michele Maffucci: https://www.maffucci.it
derivato dal lavoro di TigPT: http://www.LusoRobotica.com
*/
const unsigned int PIN = 0; // pin a cui sarà collegato il sensore
const unsigned int BAUD_RATE = 9600; // definiamo il boud rate della porta seriale
unsigned int valore = 0; // variabile intera non negativa per il valore rilevato dal sensore
void setup() {
Serial.begin(BAUD_RATE); // apriamo la porta seriale USB e la inizializziamo a 9600 bps.
pinMode(PIN,INPUT); // dichiariamo di utilizzare il piedino PIN come ingresso
}
void loop() {
valore = analogRead(PIN); // in valore conserviamo la lettura che proviene da PIN
Serial.println(valore); // stampiamo sulla Serial monitor "valore"
delay(500); // aggiungiamo un ritardo tra le letture successive di mezzo secondo
}
Questo il filmato:


